200 Amp Shunt

$0.00

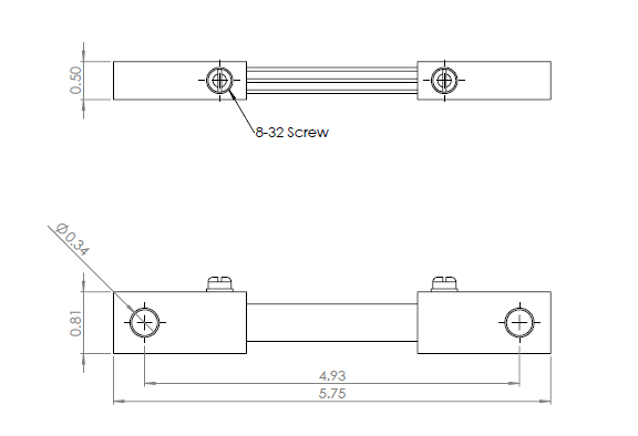
A 200 amp, 100 millivolt shunt is a precision current-sensing device designed to accurately measure high electrical currents by producing a proportional voltage drop of 100 mV at full load. With a tight tolerance of ±0.1%, it ensures highly accurate and repeatable readings, making it ideal for critical monitoring applications such as power systems, battery banks, and load testing equipment. Its robust construction and low-resistance design minimize heat generation and power loss while maintaining long-term stability and reliability in demanding industrial environments.

A 200 amp, 100 millivolt shunt is a precision current-sensing device designed to accurately measure high electrical currents by producing a proportional voltage drop of 100 mV at full load. With a tight tolerance of ±0.1%, it ensures highly accurate and repeatable readings, making it ideal for critical monitoring applications such as power systems, battery banks, and load testing equipment. Its robust construction and low-resistance design minimize heat generation and power loss while maintaining long-term stability and reliability in demanding industrial environments.